| 产品名称: | 电动截止阀 | 产品型号: | J941H |
| 公称通径: | DN15~DN300 | 结构形式: | 截止式 |
| 公称压力: | 1.6MPa~16.0MPa | 连接方式: | 法兰、焊接 |
| 适用温度: | -29ºC~+550ºC | 驱动方式: | 电动 |
| 阀体材质: | WCB、碳钢、铬钼钒钢、不锈钢 | 制造标准: | 国标GB、德国DIN、美国API、ANSI |
| 适用介质: | 水、油、蒸汽、气体 | 生产厂家: | 浙江高川机械科技有限公司 |
产品说明
J941H电动截止阀由电动执行机构和截止阀两部分组成。启闭件是塞形的阀瓣,密封面呈平面或锥面,阀瓣沿流体的中心线作直线运动。阀杆的运动形式,有升降杆式(阀杆升降,手轮不升降),也有升降旋转杆式(手轮与阀杆一起旋转升降,螺母设在阀体上)。能适用于各种压力、温度及介质工况。阀在管路中主要用来做切断、分配和改变介质的流动方向,一般不做调节使用,因为调节时不平衡力太大,对阀芯的冲蚀比较厉害。
产品特点
1、结构简单,制造和维修比较方便。
2、阀杆经调质及表面氮化处理,有良好的抗腐蚀性和抗擦伤性。
3、适合作为自动化切断介质使用。
4、密封性好,密封面间磨擦力小,寿命较长。
5、阀杆开启或关闭行程相对较短,并具有非常可靠的切断动作。
6、阀座和阀瓣比较容易修理或更换密封元件时无需把整个阀门从管线上拆下来。
7、倒密封采用螺纹连接密封座或本体堆焊奥氏体不锈钢而成,密封可靠,更换填料可在不停机情况下进行,方便快捷,不影响系统运行。
8、电动执行器方便操作。
应用规范
| 设计与制造 | GB/T12235 | |
| 连接端尺寸 | 结构长度 | GB/T12221 |
| 法兰尺寸 | /T79 | |
| 检验与试验 | /T9092 | |
| 材 料 | 碳钢 | GB/T12229 |
| 不锈钢 | GB/T12230 | |
| 合金钢 | Q/ZB66 | |
| 标 志 | GB/T12220 | |
| 供 货 | /T7928 | |
主要零件材料及主要用途
| 阀体 | 阀盖 | 阀瓣 | 密封圈 | 阀杆 | 填料 | 适用介质 | 适用温度 (≤℃) |
| WCB | WCB+D507MO | D577 | 2Crl3 | 柔性石墨 | 水、油品、蒸汽 | 425 | |
| ZGlCrl8Ni9Ti | 0Crl8Ni9Ti+ Stellite12 | Stellite6 | lCrl8Ni9Ti | PTFE | 硝酸类 | 200 | |
| ZGlCrl8Ni2Mo2Ti | CF8M+ Stellite12 | lCrl8Ni2Mo2Ti | lCrl8Ni2Mo2Ti | PTFE | 磷酸类、 碱类、混酸 | 200 | |
| ZG00Crl7Nil4M02 | CF3M+ Stellite12 | Stel1ite6 | 316L | PTFE | 磷酸类、 尿素、甲铵液 | 200 | |
| ZGlCr5MO | ZGlCr5MO+ Stellite12 | Stel1ite6 | 25Cr2Mo1VA | 柔性石墨 | 水、油品、蒸汽 | 550 | |
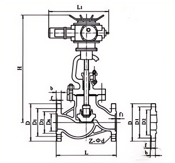
外形结构图

主要外形尺寸
| 公称压力 PN(MPa) | 公称通径 DN(mm) | 标准值 | 参考值 | ||||||||||
| L | D | D1 | n2 | D6 | b | f | f1 | Z-φd | L1 | H | 质量(kg) | ||
| 1.6 | 50 | 230 | 160 | 125 | 100 | 16 | 3 | 4-φ18 | 590 | 645 | 48 | ||
| 65 | 290 | 180 | 145 | 120 | 18 | 3 | 4-φ18 | 590 | 690 | 60 | |||
| 80 | 310 | 195 | 160 | 135 | 20 | 3 | 8-φ18 | 590 | 715 | 65 | |||
| 100 | 350 | 215 | 180 | 155 | 20 | 3 | 8-φ18 | 590 | 770 | 71 | |||
| 125 | 400 | 254 | 210 | 185 | 22 | 3 | 8-φ18 | 590 | 780 | 119 | |||
| 150 | 480 | 280 | 240 | 210 | 24 | 3 | 8-φ23 | 590 | 810 | 210 | |||
| 200 | 600 | 335 | 295 | 265 | 26 | 3 | 12-φ23 | 810 | 967 | 320 | |||
| 250 | 622 | 405 | 355 | 320 | 30 | 3 | 12-φ25 | 810 | 1143 | 550 | |||
| 300 | 698 | 460 | 410 | 375 | 30 | 4 | 12-φ25 | 830 | 1292 | 785 | |||
| 2.5 | 50 | 230 | 160 | 125 | 100 | 20 | 3 | 4-φ18 | 590 | 645 | 50 | ||
| 65 | 290 | 180 | 145 | 120 | 22 | 3 | 8-φ18 | 590 | 690 | 65 | |||
| 80 | 310 | 195 | 160 | 135 | 22 | 3 | 8-φ18 | 590 | 715 | 67 | |||
| 100 | 350 | 230 | 190 | 160 | 24 | 3 | 8-φ23 | 590 | 770 | 73 | |||
| 125 | 400 | 270 | 220 | 188 | 28 | 3 | 8-φ25 | 590 | 780 | 127 | |||
| 150 | 480 | 300 | 250 | 218 | 30 | 3 | 8-φ25 | 810 | 810 | 215 | |||
| 200 | 600 | 360 | 310 | 278 | 34 | 3 | 12-φ25 | 810 | 967 | 322 | |||
| 250 | 622 | 425 | 370 | 332 | 36 | 3 | 12-φ30 | 830 | 1143 | 585 | |||
| 300 | 698 | 485 | 430 | 390 | 40 | 4 | 16-φ30 | 830 | 1292 | 795 | |||
| 4.0 | 50 | 230 | 160 | 125 | 100 | 88 | 20 | 3 | 4 | 4-φ18 | 590 | 645 | 61 |
| 65 | 290 | 180 | 145 | 120 | 110 | 22 | 3 | 4 | 8-φ18 | 590 | 690 | 75 | |
| 80 | 310 | 195 | 160 | 135 | 121 | 22 | 3 | 4 | 8-φ18 | 590 | 715 | 84 | |
| 100 | 350 | 230 | 190 | 160 | 150 | 24 | 3 | 4.5 | 8-φ23 | 590 | 770 | 101 | |
| 125 | 400 | 270 | 220 | 188 | 176 | 28 | 3 | 4.5 | 8-φ25 | 810 | 782 | 207 | |
| 150 | 480 | 300 | 250 | 218 | 204 | 30 | 3 | 4.5 | 8-φ25 | 810 | 875 | 226 | |
| 200 | 600 | 375 | 320 | 282 | 260 | 38 | 3 | 4.5 | 12-φ30 | 810 | 1160 | 399 | |
| 6.4 | 50 | 300 | 175 | 135 | 105 | 88 | 26 | 3 | 4 | 4-φ23 | 590 | 710 | 64 |
| 65 | 340 | 200 | 160 | 130 | 110 | 28 | 3 | 4 | 8-φ23 | 590 | 750 | 77 | |
| 80 | 380 | 210 | 170 | 140 | 121 | 30 | 3 | 4 | 8-φ23 | 590 | 785 | 86 | |
| 100 | 430 | 250 | 200 | 168 | 150 | 32 | 3 | 4.5 | 8-φ25 | 810 | 837 | 171 | |
| 125 | 500 | 295 | 240 | 202 | 176 | 36 | 3 | 4.5 | 8-φ30 | 810 | 1031 | 243 | |
| 150 | 550 | 340 | 280 | 240 | 204 | 38 | 3 | 4.5 | 8-φ34 | 830 | 1066 | 296 | |
| 200 | 650 | 405 | 345 | 300 | 260 | 44 | 3 | 4.5 | 12-φ34 | 830 | 1213 | 420 | |
| 10.0 | 50 | 300 | 195 | 145 | 112 | 88 | 28 | 3 | 4 | 4-φ25 | 590 | 714 | 81 |
| 65 | 340 | 220 | 170 | 138 | 110 | 32 | 3 | 4 | 8-φ25 | 590 | 734 | 102 | |
| 80 | 380 | 230 | 180 | 148 | 121 | 34 | 3 | 4 | 8-φ30 | 810 | 847 | 175 | |
| 100 | 430 | 265 | 210 | 172 | 150 | 38 | 3 | 4.5 | 8-φ30 | 810 | 950 | 194 | |
| 125 | 500 | 310 | 250 | 210 | 176 | 42 | 3 | 4.5 | 8-φ34 | 830 | 1141 | 285 | |
| 150 | 550 | 350 | 290 | 250 | 204 | 46 | 3 | 4.5 | 12-φ34 | 830 | 1240 | 450 | |
| 200 | 650 | 430 | 360 | 312 | 260 | 54 | 3 | 4.5 | 12-φ4l | 830 | 1425 | 850 | |
| 16.0 | 50 | 300 | 215 | 165 | 132 | 88 | 36 | 3 | 4 | 8-φ25 | 590 | 562 | 92 |
| 65 | 340 | 245 | 190 | 152 | 110 | 44 | 3 | 4 | 8-φ30 | 810 | 743 | 165 | |
| 80 | 380 | 260 | 205 | 168 | 121 | 46 | 3 | 4 | 8-φ30 | 830 | 820 | 216 | |
| 100 | 430 | 300 | 240 | 200 | 150 | 48 | 3 | 4.5 | 8-φ34 | 830 | 935 | 238 | |


