| 产品名称: | 电动硬密封蝶阀 | 产品型号: | D973H |
| 公称通径: | DN50~DN1000 | 阀座密封: | 合金、司太立、不锈钢 |
| 公称压力: | 1.0Mpa~4.0MPa | 连接方式: | 对夹、法兰 |
| 适用温度: | -20ºC~+150ºC~425ºC | 驱动方式: | 手动、蜗轮、电动、气动 |
| 阀体材质: | 铸钢、不锈钢 | 制造标准: | 国标GB、德国DIN、美国API、ANSI |
| 适用介质: | 水、油、蒸汽、气体、粉体、液体 | 生产厂家: | 浙江高川机械科技有限公司 |
产品说明
D973H电动硬密封蝶阀采用一个“U”型不锈钢密封圈,该精密的弹性密封圈与经过抛光的蝶板三维偏心接触。解决了传统偏心蝶阀在启闭0°~10°瞬间密封面仍处于滑动接触摩擦的弊病,实现蝶板在开启瞬间密封面即分离,关闭接触即密封的效果,达到延长使用寿命、密封性能最佳的目的。因此被广泛地应用到介质温度≤550℃的冶金、电力、石油、化工、空气、煤气、可燃气体以及给排水等腐蚀性介质的管道上,是调节流量和截断流体的最佳装置。
产品特点
1、该蝶阀结构简单、紧凑、重量轻、易于安装和拆卸、维修方便;
2、本蝶阀采用不锈钢“U”型密封圈,具有一定的弹性无论在高温、低温的情况下,它与蝶板均具有优良的密封性;
3、本蝶阀的三维偏心距,经过严格的计算,“U”型密封圈与蝶板几乎无磨擦,使用寿命长,并具有越关越紧的功能;
4、蝶板密封面采用堆焊钴基硬质合金,密封面耐磨损,使用寿命长;
5、本蝶阀结构独特,“开关”仅需转动阀杆90°即可完成。操作灵活、方便、省力、不受介质压力的高低影响,密封性能可靠;
6、耐高温、耐低温、耐腐蚀性。
采用标准
设计标准 :GB/T12238-1989
结构长度:GB/T12221-1989
压力试验:GB/T13927-1992;/T9092-1999
执行机构
1.功能强劲:智能型、调节型、开关式。
2.体积小巧:体积仅相当于同类产品的35%左右。
3.使用方便:采用单相电源,接线简单;采用独创的球型凸出结构,使观察更方便;免加油免点检、防水防锈、任意角度安装。
4.保护装置有双重限位、过热保护、过载保护。全行程时间15秒、30秒、45秒、60秒。及带手动功能。
5.智能数控:内置模块采用先进计算机单片及智能控制软件直接接收计算机或工业仪表等输出的标准信号(4-20mA DC /1-5VDC)实现阀门开度的智能控制和精确定位。也可选用3810系列或NA系列电子式角行程执行机构.亦可选用PSQ系列或DYR系列。
技术参数
| 公称通径 | DN(mm) | 50~1200 | ||||
| 公称压力 | PN(MPa) | 0.6 | 1.0 | 1.6 | 2.5 | 4.0 |
| 试验压力 | 强度试验 | 0.9 | 1.5 | 2.4 | 3.75 | 6.0 |
| 密封试验 | 0.66 | 1.1 | 1.76 | 2.75 | 4.4 | |
| 气密封试验 | 0.6 | 0.6 | 0.6 | 0.6 | 0.6 | |
| 适用介质 | 水、蒸气、油品、酸类腐蚀性等。 | |||||
| 适用温度 | 碳钢 :-29℃~600℃ 不锈钢-40℃~600℃ | |||||
主要零件材质
| 零件名称 | 材料 |
| 阀体 | 铸铁、铸钢、不锈钢、铬钼钢、合金钢 |
| 蝶板 | 铸钢、合金钢(镀硬铬)、不锈钢、铬钼钢 |
| 密封圈 | 不锈钢、聚内脂、抗磨材料 |
| 阀杆 | 2Cr13、1Cr13不锈钢、铬钼钢 |
| 填料 | 柔性石墨 |
三偏心特点及原理
1、偏离管道中心
2、偏离密封面中心
3、倾斜的锥形
当阀门开启时,蝶板与阀座在关闭时瞬间接触,利用蝶板偏心1、偏心2迅速脱离阀座,降低了密封副的磨损,磨擦力矩小,开启灵活。偏心锥面3,使阀门在开启或关闭时蝶板能通过阀座内孔,实现接触密封。另外,锥形蝶板的旋转半径大于密封副接触位置的旋转半径,故蝶板在阀门关闭时将出现越关越紧,能够实现自锁,防止蝶板过位

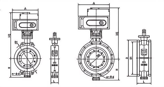
主要外形连接尺寸
| 公称通径DN(mm) | 尺寸(mm) | |||||
| L1 | D | D1 | H | H1 | Z-Φd | |
| 50 | 43 | 165 | 125 | 82 | 260 | 4-18 |
| 65 | 46 | 185 | 145 | 95 | 280 | 8-18 |
| 80 | 49 | 200 | 160 | 108 | 355 | 8-18 |
| 100 | 56 | 220 | 190 | 125 | 390 | 8-23 |
| 125 | 64 | 250 | 220 | 138 | 490 | 8-25 |
| 150 | 70 | 285 | 250 | 198 | 630 | 8-25 |
| 200 | 71 | 340 | 310 | 236 | 690 | 12-25 |
| 250 | 76 | 405 | 370 | 276 | 830 | 12-30 |
| 300 | 83 | 460 | 430 | 308 | 930 | 16-30 |
| 350 | 92 | 520 | 490 | 340 | 1010 | 16-34 |
| 400 | 102 | 580 | 550 | 374 | 1070 | 16-34 |
| 450 | 114 | 640 | 600 | 384 | 1140 | 20-34 |
| 500 | 127 | 715 | 660 | 448 | 1200 | 20-41 |
| 600 | 154 | 840 | 770 | 490 | 1340 | 20-41 |
| 700 | 165 | 910 | 875 | 542 | 1600 | 24-48 |
| 800 | 190 | 1025 | 990 | 607 | 1780 | 24-48 |
| 900 | 203 | 1125 | 1090 | 665 | 1920 | 28-54 |
| 1000 | 216 | 1255 | 1210 | 731 | 1960 | 28-58 |
| 1200 | 254 | 1485 | 1420 | 842 | 2360 | 32-58 |


