| 产品名称: | 通风蝶阀 | 产品型号: | D341W |
| 公称通径: | DN50~DN1000 | 阀座密封: | 球墨铸铁、猛钢、不锈钢 |
| 公称压力: | 0.05Mpa~0.6MPa | 连接方式: | 法兰 |
| 适用温度: | -30ºC~+350ºC | 驱动方式: | 手动、蜗轮、电动、气动 |
| 阀体材质: | 铸铁、球墨铸铁、猛钢、不锈钢 | 制造标准: | 国标GB、德国DIN、美国API、ANSI |
| 适用介质: | 冷热风、烟气、空气 | 生产厂家: | 浙江高川机械科技有限公司 |
产品说明
D341W通风蝶阀采用与阀体相同材料加工成密封圈,采用电动或气动传动。 其适用温度随阀全选材料而定,公称压力≤0.6MPa,一般适用于工业、 冶金、环保等管道作通风调节介质流量之用。
主要技术参数
| 公称压力 | 0.6MPa | 介质温度 | -30℃~350℃ |
| 强度试验 | 0.1MPa | 适用介质 | 冷热风,烟气 |
| 介质流速 | 25m/s | 泄漏率 | 2% |
主要零件材料
| 零件名称 | 材料 |
| 阀体 | Q235A,16猛钢、不锈钢 |
| 蝶板 | Q235A、16猛钢、不锈钢 |
| 密封圈 | Q235A、16猛钢、不锈钢 |
| 阀杆 | 2Cr13、不锈钢 |
| 填料 | 柔性石墨 |

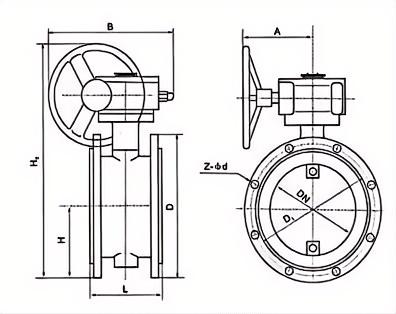
主要连接尺寸
| 公称通径 DN(mm) | L | H | Ho | 0.05-0.1MPa | 0.25MPa | 0.6MPa |
| D | Dr | D2 | n-d | D | D1 | D2 | n-d | D | D1 | D2 | n-d |
| 100 | 127 | 105 | 486 | 210 | 170 | 144 | 4-18 | 210 | 170 | 144 | 4-19 | 210 | 170 | 144 | 4-19 |
| 125 | 140 | 120 | 516 | 240 | 200 | 174 | 8-18 | 240 | 200 | 174 | 8-19 | 240 | 200 | 174 | 8-19 |
| 150 | 140 | 132 | 541 | 265 | 225 | 199 | 8-18 | 265 | 225 | 199 | 8-19 | 265 | 225 | 199 | 8-19 |
| 200 | 152 | 160 | 779 | 320 | 280 | 254 | 8-18 | 320 | 280 | 254 | 8-19 | 320 | 280 | 254 | 8-19 |
| 250 | 165 | 187 | 836 | 375 | 335 | 309 | 12-18 | 375 | 335 | 309 | 12-19 | 375 | 335 | 309 | 12-19 |
| 300 | 178 | 220 | 901 | 440 | 395 | 363 | 12-22 | 440 | 395 | 363 | 12-23 | 440 | 395 | 363 | 12-23 |
| 350 | 190 | 245 | 954 | 490 | 445 | 413 | 12-22 | 490 | 445 | 413 | 12-23 | 490 | 445 | 413 | 12-23 |
| 400 | 218 | 270 | 1003 | 540 | 495 | 463 | 16-22 | 540 | 495 | 463 | 16-23 | 540 | 495 | 463 | 16-23 |
| 450 | 222 | 297 | 1058 | 595 | 550 | 518 | 16-22 | 595 | 550 | 518 | 16-23 | 595 | 550 | 518 | 16-23 |
| 500 | 229 | 322 | 1111 | 645 | 600 | 568 | 20-22 | 645 | 600 | 568 | 20-23 | 645 | 600 | 568 | 20-23 |
| 600 | 267 | 377 | 1233 | 755 | 705 | 667 | 20-26 | 755 | 705 | 667 | 20-26 | 755 | 705 | 667 | 20-26 |
| 700 | 292 | 430 | 1338 | 860 | 810 | 772 | 24-26 | 860 | 810 | 772 | 24-26 | 860 | 810 | 772 | 24-26 |
| 800 | 318 | 487 | 1452 | 975 | 920 | 878 | 24-30 | 975 | 920 | 878 | 24-30 | 975 | 920 | 878 | 24-31 |
| 900 | 330 | 537 | 1588 | 1075 | 1020 | 978 | 24-30 | 1075 | 1020 | 978 | 24-30 | 1075 | 1020 | 978 | 24-31 |
| 1000 | 410 | 587 | 1689 | 1175 | 1120 | 1078 | 28-30 | 1175 | 1120 | 1078 | 28-30 | 1175 | 1120 | 1078 | 28-31 |
| 1200 | 470 | 702 | 1938 | 1375 | 1320 | 1280 | 32-30 | 1375 | 1320 | 1280 | 32-30 | 1405 | 1340 | 1295 | 32-34 |
| 1400 | 530 | 895 | 2670 | 1575 | 1520 | 1480 | 36-30 | 1575 | 1520 | 1480 | 36-30 | 1630 | 1560 | 1510 | 36-37 |
| 1600 | 600 | 995 | 2810 | 1790 | 1730 | 1690 | 40-30 | 1790 | 1730 | 1690 | 40-30 | 1830 | 1760 | 1710 | 40-37 |
| 1800 | 670 | 1095 | 3020 | 1990 | 1930 | 1890 | 44-30 | 1990 | 1930 | 1890 | 44-30 | 2045 | 1970 | 1915 | 44-40 |
| 2000 | 760 | 1200 | 3220 | 2190 | 2130 | 2090 | 48-30 | 2190 | 2130 | 2090 | 48-33 | 2265 | 2180 | 2125 | 48-43 |
| 2200 | 800 | 1310 | 3430 | 2405 | 2340 | 2295 | 52-33 | 2405 | 2340 | 2295 | 52-33 | 2475 | 2390 | 2335 | 52-43 |
| 2400 | 850 | 1420 | 3650 | 2605 | 2540 | 2495 | 56-33 | 2605 | 2540 | 2495 | 56-33 | 2685 | 2600 | 2545 | 56-43 |
| 2600 | 900 | 1530 | 3920 | 2805 | 2740 | 2695 | 60-33 | 2805 | 2740 | 2695 | 60-33 | 2905 | 2810 | 2750 | 60-49 |
| 2800 | 950 | 1640 | 4140 | 3030 | 2960 | 2910 | 64-36 | 3030 | 2960 | 2910 | 64-36 | 3115 | 3020 | 2960 | 64-49 |
| 3000 | 1000 | 1760 | 4360 | 3230 | 3160 | 3110 | 68-36 | 3230 | 3160 | 3110 | 68-36 | 3315 | 3220 | 3160 | 68-49 |
| 3200 | 1100 | 1870 | 4620 | 3430 | 3360 | 3310 | 72-36 | 3430 | 3360 | 3310 | 72-36 | 3525 | 3430 | 3360 | 72-49 |
| 3400 | 1200 | 1980 | 4840 | 3630 | 3560 | 3510 | 76-36 | 3630 | 3560 | 3510 | 76-36 | 3735 | 3640 | 3560 | 76-49 |
| 3600 | 1200 | 2120 | 5060 | 3840 | 3770 | 3720 | 80-36 | 3840 | 3770 | 3720 | 80-36 | 3970 | 3860 | 3720 | 80-56 |
| 3800 | 1200 | 2230 | 5400 | 4045 | 3970 | 3920 | 80-39 | 4045 | 3970 | 3920 | 80-39 | 4180 | 4070 | 3970 | 80-62 |
| 4000 | 1300 | 2390 | 5620 | 4245 | 4170 | 4120 | 84-39 | 4245 | 4170 | 4120 | 84-39 | 4380 | 4270 | 4170 | 84-62 |